Potential Application of Nanocellulose for Filaments Production: A Review

Document Type : Research Paper

Authors

1 Department of Agroindustrial Technology, Faculty of Agricultural Engineering and Technology, IPB University (Bogor Agricultural University), Gedung Fateta, Kampus IPB Dramaga, Bogor 16680, Indonesia.

2 Department of Agroindustrial Technology, Institut Teknologi Sumatera, Jalan Terusan Ryacudu, Way Hui Jati Agung, Lampung Selatan 35365, Indonesia.

3 Department of Clinic, Reproduction and Pathology, Faculty of Veterinary Medicine, IPB University (Bogor Agricultural University), Jl. Agatis, Kampus IPB Dramaga, Bogor 16680, Indonesia.

4 Department of Physics, Faculty of Mathematics and Natural Sciences, IPB University (Bogor Agricultural University), Jl. Meranti, Kampus IPB Dramaga, Bogor 16680, Indonesia.

5 Department of Veterinary Parasitology, Faculty of Veterinary Medicine, Airlangga University Campus C, Jalan Mulyorejo, Surabaya Indonesia 60115, Indonesia.

6 Department of Physics, Faculty of Mathematics and Natural Sciences, Gadjah Mada University, Sekip Utara Bulaksumur Yogyakarta 55281, Indonesia.

7 Department of Chemistry, Faculty of Mathematics and Natural Sciences, Institut Teknologi Bandung, Jalan Ganesha No. 10, Bandung 40132, Indonesia.

8 Research Center for Nanosciences and Nanotechnology, Institut Teknologi Bandung, Jalan Ganesha No. 10, Bandung, 40132, Indonesia.

9 Division of Inorganic and Physical Chemistry, Institut Teknologi Bandung, Jalan Ganesha no. 10, Bandung, 40132, Indonesia.

10.22052/JNS.2020.03.011

Abstract

Some researchers have reported the successful experiments to produce nanocellulose-based filaments by several spinning methods, including wet spinning and dry spinning. The addition of nanocellulose to the composites was found to improve the mechanical and thermal properties of produced filaments or continuous fibers. However, there are several parameters of spinning that needs to be considered to achieve better quality of filaments, including high aspect ratio of nanocellulose, low viscosity of dope (low solid content), high shear rate in the spinneret, and high draw ratio. This review article focuses on brief explanation of cellulose structure and how to isolate nanocellulose, nanocellulose-based filaments by wet spinning and dry spinning methods, characteristics of wet and dry spun fibers, as well as parameters that affect spinning process. For example, the strength of filament was attributed to the aspect ratio or slenderness and crystallinity of nanocellulose. Further details of the potential application of nanocellulose for filament production is presented here as the reference for application in textile, medical, and other fields.

Keywords


INTRODUCTION

Cheap and renewable polymeric materials utilization to synthesize products with high economic values has been an attractive topic of world’s researchers, including cellulose. Cellulose is a biopolymer found in abundance in nature and renewable. Cellulose is defined as the main component of the cell wall of lignocellulose plants that is responsible for preserving plant structures. Cellulose can be sourced from wood, oil palm empty fruit bunches (OPEFBs), flax, coconut fiber, palm fiber, cotton, etc. Besides, it can also come from other species such as tunicate, algae, fungi [1‒3], and bacteria (AcetobacterAgrobacteriumSarcina) [4]. In general, cellulose fibrils are fibrous, tough, highly water-insoluble, and inelastic. Nanocellulose provides several positive properties, including high mechanical strength and modulus, good optical transparency, thermally stable, lightweight, renewable, biocompatible, and biodegradable [5, 6]. Because of those properties, nanocellulose has been applied for the production of continuous fibers, which was known as filaments, through several spinning methods.

Commonly, there are several spinning methods to produce filaments, including melt spinning and solution spinning (wet spinning and dry spinning). In the form of 100% of nanocellulose, the most common spinning method to produce filaments is either by wet spinning or dry spinning. This is because the high hydrophilic properties and the absence of melting transition in the nanocellulose which limits the application of melt spinning [7]. Meanwhile, when nanocellulose is added with polymers, melt spinning, wet spinning, and dry spinning can be applied [8].

This paper focused particularly on the potency of nanocellulose utilization for filaments production. Firsthand, cellulose fiber chemical composition and structure, sources of material, and nanocellulose including cellulose nanofibers (CNF), cellulose nanocrystals (CNC), and bacterial cellulose (BC) isolation methods and their characterizations were described. Secondly, nanocellulose based filament synthesis techniques comprised of wet and dry spinning were accounted. Then, characteristics of wet and dry spun fibers, as well as parameters affecting spinning process were also described.

Cellulose and nanocellulose

Cellulose, hemicellulose, and lignin are three main organic compounds of compact plant cell wall [9]. Classified as high molecular weight natural carbohydrate homopolymer, cellulose occurs with various degree of polymerization. Type of cellulose biomass source and its treatment determine the degree of polymerization. Cellulose is comprised of large number of hydroxyl groups as three per anhydroglucose unit (AGU) [10].

Naturally, cellulose appears as the assembly of fibers forming individual cellulose chains. About 36 individual cellulose molecules come together to form larger units named elementary fibrils (protofibrils) [11]. These fibrils have various cross dimensions, from 2 to 20 nm. Some nano-sized elementary fibrils form larger units called microfibers. Cellulose fibers are formed when some of microfibers are assembled [12]. The nature of biomass resources determined the characteristics of the cellulose fibers [11].

Cellulose may occur at different structures known as cellulose polymorphs or allomorphs. These different structures exist as consequences of variation on cellulose’s hydrogen bonding network and molecular orientation. To date, six interconverted polymorphs of cellulose that have been identified are I, II, IIII, IIIII, IVI, and IVII [11]. The schematic model that the cellulose I or microfibril crystal arrangement has a square cross-section with sides of the same length (Fig. 1). The number of anhydroglucose units in one cross-section side of cellulose microfibrils was calculated using the d-spacing of cellulose I structures (0.61 and 0.53 nm) [13]. In the native state, which is cellulose type I, cellulose has two different crystal structures: Iα and Iβ. Cellulose Iα consists of one chain triclinic unit cell [14,15] while cellulose Iβ consists of two parallel chains monoclinic unit cell [15, 16]. However, different origin of cellulose composed of different proportion of both Iα and Iβ. Plant-based cellulose usually composed of mainly cellulose Iβ, whereas bacterial cellulose composed of mainly cellulose Iα [15].

However, cellulose is consisting of a linear chain of several hundred to over ten thousand glucose units that are linked together by β-(1-4) linkages. In the ordered regions, the cellulose chains are packed tightly together in crystallites, which are stabilized by very strong intra-and inter-molecular hydrogen bonds (Fig. 2), causing cellulose to be difficult to dissolve in water and general organic solvents [17].

The term nanocellulose describes cellulose fibrils or crystallites which contain at least one nanometer-sized dimension less than 100 nm [18,19]. There are three different types of nanocellulose, namely cellulose nanocrystals (CNC), cellulose nanofibrils (CNF) and bacterial cellulose (BC). There are two approaches to obtain nanocellulose: bottom-up strategy by biosynthesis and top-down strategy by deconstruction of plant materials [15]. Commonly, there are three methods to produce nanocellulose, which are mechanical, chemical, and biological treatments. In addition, there are two methods to prepare nanocellulose by biological treatment: bacterial production as bottom-up strategy and enzyme pretreatment as top-down strategy [20]. Different methods of isolation nanocellulose and different sources of raw materials produce nanosellulose with different characteristics. Various types of nanocellulose structures may be obtained by varying the origin of the nanocellulose. Some researchers have succeeded in isolating nanocellulose from various sources of lignocellulosic materials, including wood [21], oil palm empty fruit bunches [22], flax [23], coconut husk [24, 25], cotton [26], pineapple leaf fibers [27].

The first method for isolation of plant-based nanocellulose is by mechanical treatment which main principle is exposing fibers onto mechanical shearing forces. As a result of high mechanical forces, the fibers disintegrate into microfibrillated cellulose (MFC) or cellulose nanofibers or nanofibrillated cellulose or nanofibrils or microfibrils. The obtained cellulose nanofibers from this method have diameter ranges from 10-100 nm [28] and several micrometer of length (Fig. 3). Many researchers have used mechanical treatments to prepare MFCs, including using high-pressure homogenizers [29,30], ultrafine grinder [3,31] a combination of high pressure shear and mild enzymatic hydrolysis [32] and high intensity ultrasonication [33].

The second method is chemical treatment which its main principle is exposing cellulose plant fibers to strong acid conditions and usually combined with ultrasonication. The disordered or amorphous regions of cellulose are greatly influenced by the acid, while crystalline regions are less influenced. Some crystalline regions are resistance to acid attack, therefore remain intact [34]. Materials called cellulose nanocrystals (CNC) or cellulose nanowhiskers are produced from chemical treatment. The dimensions of the produced CNC depend on the source of cellulose, their diameter usually ranges from 3-50 nm and their length generally ranges from 100 - 500 nm (from plant cellulose) and some even reach several micrometers (from tunicate and algae) [28]. The degree of hydrolysis (time, temperature, acid-to-pulp ratio) and intensity of ultrasonic irradiation can change particle size, surface charge and polydispersity of CNC [22, 35‒37]. Fig. 4 shows nanocellulose isolated by chemical treatment.

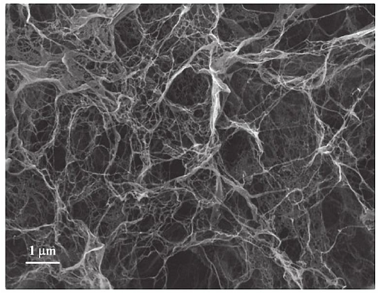
The next method is bottom-up strategy approach by biosynthesis using bacteria. In contrast with the isolation of CNF and CNC from plants, the biosynthesis of BC is construction of tiny unit (Å) to small unit (nm). It consists of fully pure cellulose nanofibrils synthesized by various species of bacteria, including AcetobacterRhizobium, Agrobacterium and Sarcina [16], which requires no further elimination of lignin, pectin, and hemicellulose [28]. Glucose chains which are formed during the biosynthesis of BC were extruded out from bacteria body through the tiny pores of its cell membrane [28]. The glucose chains were fermented by the bacteria [15] to produce microfibrils cellulose which further aggregated into ribbons (nanofibers). These ribbons are then produce web-shaped network structure with the cellulosic fibers (BC), which has diameter ranges from 20-100 nm [28] and length of up to several micrometers [15,20,28,39]. Fig. 5 shows the SEM micrograph of bacterial cellulose network.

The next isolation of nanocellulose is by enzymatic hydrolysis. The principle of this method is by hydrolyzing the cellulose fibers from macromolecular size to micro-molecular size with the help of enzyme. The enzymes that usually used are cellulase [20], endoglucanase [41], exoglucanase [42], lignolitic enzymes (laccase, Mn-peroxidase, lignin peroxidase), xylanase, pectinase [43], etc. The use of enzyme made this method become more environmentally friendly, conditionally mild, work more specific [20], and higher aspect ratio of nanocellulose produced [44] compared to other methods, especially acid hydrolysis. In many literatures, several researchers combined mechanical treatments before and/or after enzymatic hydrolysis to obtain nanocellulose, including mechanical shearing [45], mechanical homogenization (microfluidizer) [46], mechanical refining [41], etc. Zhuo et al. [20] isolated nanocellulose from Amorpha fruticosa using cellulase enzyme pretreatment for 24 hours followed by high-pressure homogenization (500 bar, 1 min). The result showed that nanocellulose obtained had diameter in nanoscale, where it ranges from 2-30 nm and length in microscale. Fig. 6 shows nanocellulose isolated by enzyme hydrolisis.

Nanocellulose based filaments by wet and dry spinning

Plant fibers, such as flax, hemp, jute, and cotton have been used to produce continuous fibers in the textile manufacture for many years. Continuous regenerated cellulose fiber can be spun from cellulose solution. The commercial regenerated cellulose fibers have tensile modulus and strength of about 10.8–22.2 GPa and 340–780 MPa. The crystalline structure of regenerated cellulose is cellulose II while that of native cellulose is cellulose I [8]. Therefore, it is not surprising that there is an attempt to investigate the spinning of continuous fibers from nanocellulose considering it is also a new class of cellulose-based materials. Instead of CNC, CNF has been used to spin 100% nanocellulose. This is because of the higher aspect ratio and fibril entanglement/interaction of CNF than those of CNC [8].

Spinning of continuous fibers from nanocellulose is interesting because nanocellulose is nanometer-sized in one of its dimensions while it is still maintaining cellulose I structure. Their preparation can use 100% nanocellulose suspension or a combination of nanocellulose with other polymers, both natural and synthetic [8]. There are several methods to prepare nanocellulose based filaments, such as wet spinning [6, 21, 47] and dry spinning [48]. The wet spinning and drawing processes to prepare nanocellulose based filaments are carried out using a spinning machine as illustrated in Fig. 7. The mixture solution, known as spinning dope, was extruded through a spinning hole into a coagulation bath and then drawn followed by drying [8]. The solidification process of spinning dope in wet spinning was achieved by the principle of precipitation in a non-solvent bath [7, 49].

Meanwhile, in dry spinning process, the spinning dope is extruded into spinneret followed by evaporation to solidify the dope [8]. The dope coming out from spinneret is in contact with a stream of hot gas, in the form of air or inert gas. The concentration of dope increased as the solvent vaporized in this process, thus solidifying the dope [51]. The dry spinning processes to prepare nanocellulose based filaments are carried out using a spinning machine as illustrated in Fig. 8.

Research on the manufacture of nanocellulose-based filaments is relatively new. Currently only a few researchers have reported it. For example, hollow and porous structures were obtained when wood nanocellulose and nanofiber tunicates, respectively, were used. The spinning rate was also observed to influence the mechanical properties of the filaments which may be related to the orientation effect of nanocellulose [21]. Modifications on spinning process were investigated on the effect of the solvents. The study was conducted using acetone, as solvents, in the coagulation bath [21] and without solvents [48].

Besides 100% nanocellulose-based filaments, there are some researchers who also reported filaments derived from nanocellulose and PVA mixtures. PVA and nanocellulose can form a homogeneous mixture because both are hydrophilic. Endo et al. [47] reported that PVA-nanocellulose composite fibers with a weight ratio of 100: 1 were prepared from a mixture of poly (vinyl alcohol) (PVA) solution and nanocellulose dispersion isolated with 2,2,6,6-tetramethylpiperidine-1-oxy radicals (TEMPO) using spinning, drawing, and drying processes. The spun PVA-nanocellulose composite fibers were drawn up to the draw ratio 20 by heating up to 230 oC. The maximum tensile modulus of the drawn PVA-nanocellulose composite fibers reached 57 GPa higher than that of the drawn commercial PVA fiber. Meanwhile, the drawn PVA-nanocellulose composite fibers had a higher storage modulus than the drawn PVA fibers which were drawn at each temperature in the range of 28 to 239oC. With adding a small amount of nanocellulose used, the amorphous PVA area in the drawn composite fibers was more oriented than those in the neat PVA fibers. The results indicated that the nanocellulose was dispersed well in the PVA matrix without aggregation and form hydrogen bonds with amorphous PVA molecules in the drawn composite fibers [47].

Peng et al. [52] investigated short cellulose nanofibrils as reinforcement for polyvinyl alcohol (PVA) fibers. Various concentrations of nanocellulose were added to the PVA solution spun into continuous fibers. The combination of wet drawing during gel spinning and post-hot-drawing at high temperature after drying affected the orientation of PVA molecules. The orientation of the PVA crystals increased when small amounts of nanocellulose were added, but decreased when the nanocellulose concentration increased above 2 or 3%. This might be caused by nanocellulose percolation which resulted in network formation which inhibited alignment. The addition of nanocellulose was effective in increasing the tensile properties of PVA fibers (i.e. ultimate strength and elastic modulus) [52].

Lundahl et al. [53] reported that the effect of solid content of nanocellulose on the mechanical properties of the resulting filament. Tensile strength of nanocellulose based filaments with 2%, 5% and 7% of solid content was 326 ± 6 MPa, 223 ± 26 MPa, and 136 ± 19 MPa, respectively. Meanwhile, their Young’s modulus were 15.5 ± 17, 12.7 ± 0.9, and 8.6 ± 1.5 GPa, respectively [53].

Torres-Rendon et al. [54] produced TEMPO-mediated oxidation-nanocellulose based filaments using 100% nanocellulose by wet spinning in tetrahydrofuran coagulant bath and drying at room temperature. They established a controlled wet stretch procedure to obtain a high orientation of nanofibrilated cellulose (NFC) filaments. Alignments of nanofibrils occured because of the nanofibrillar flow in the no-strong-binding network swollen in water. Young’s modulus of NFC filament had a linear relationship to the stretch ratio and orientation index used to measure the alignment. The stretched NFC filaments quadrupled (from 8.2 to 33.7 GPa) [54].

Walther et al. [55] produced functional and non-wovens macroscopic fibers (for hydrophobicity, conductivity, and magnetism) from native cellulose nanofibrils by wet extrusion, coagulation and drying. The produced NFC showed excellent mechanical properties, 22.5 GPa in stiffness, 275 MPa in strength and 7.9 MJ m-3 in work of fracture (toughness). In addition, transparent macrofibers were produced by dipping them in an acrylate matrix polymer [55].

Hooshmand et al. [56] reported that the dry spinning of cellulose nanofibers (CNF) from banana waste were successfully isolated using a capillary rheometer. The effect of CNF concentrations in suspension and spinning rates was examined. The mechanical properties of the produced filaments increased with increasing spinning rates and decreasing CNF concentrations. When the lowest concentration and highest speed were used, the modulus and the strength of the filaments increased from 7.8 to 12.6 GPa and from 131 to 222 MPa, respectively, due to an increased orientation of the CNF in the filament. The X-ray profiles confirmed that the orientation index of CNF in the filament increased with increasing spinning rates. Meanwhile, with low CNF concentration the filaments spun had a denser structure [56]. In addition, Håkansson et al. [57] produced homogeneous and fine filaments of 100% nanocellulose with diameters as low as 20 microns from nanocellulose suspensions using a combination of hydrodynamic alignment and a dispersion-gel transition [57].

The characteristic of spun-fibers is not necessarily affected by spinning method used. But, overall production processes are the ones that mostly affect their characteristics, such as co-monomer, polymerization, spinning, drawing, after treatment conditions, etc. Hence, it is difficult to compare the characteristic of wet and dry spun fibers, since the textile properties of fibers can be varied in both methods. However, there are several main properties of spun-fibers produced by both methods [58].

Commonly, the continuous fibers (filaments) produced by wet spinning have a characteristic of round or kidney bean shape, whereas the dry spun fibers usually have dog bone or dumbbell shape [58]. The dog bone shape was occurred due to the solvent diffusion and evaporation in dry spinning process. When the solvent evaporates from the solution, the outer part of filament is solidified before its inner part, which causes the inhomogeneity of the filaments [49].

Besides, wet spun fibers usually have smoother surface morphology compared to dry spun fibers which have rougher surface. Then, the cross-section of wet spun fibers usually varies from folded and coalesced sheets, hollow, and compact [21]. The characteristics cross-section of dry spun fibers means that more air was trapped between fibers which provide better insulating properties of filaments produced [49]. Iwamoto et al. [21] observed that the wet spun fiber from wood CNF had characteristic of smooth surface with folded and coalesced sheets cross-section when spun with spinning rate of 0.1 m/min and 1 m/min. As the spinning rate was increased to > 10 m/min resulted in a hollow cross-section. Whereas the wet spun fiber from tunicate CNF had characteristic of rougher surface and compact cross-section. Ghasemi et al. [48] also observed that the dry spun of neat CNF had characteristics of rougher surface and compact cross-section. However, the cross-section shape is also influenced by spinning rate and viscosity of polymer solution/ spinning dope [21].

There are several parameters as well as its engineering variables that affect fiber (filament) quality produced from both wet and dry spinning process. Nanocellulose source and its isolation method, nanocellulose pretreatment, dope concentration as well as its rheology [7,49] will affect the quality of filament produced. According to Lundahl et al. [7], the source of nanocellulose affects the aspect ratio or slenderness of nanocellulose produced. The higher aspect ratio of the nanocellulose, the better entanglement of the fibrils, thus increasing the strength of the filament produced. In addition, isolation method will affect the crystallinity of nanocellulose, where higher crystallinity will produce filament with better mechanical properties [7]. Nanocellulose isolated from long fibers (softwood or gymnosperms) usually produce films that have slightly higher tensile strength, lower Young’s modulus, and much higher elongation at break compared to nanocellulose isolated from short fibers (hardwood or deciduous species) [7, 59].

Lundahl et al. [7] stated that the quality of filaments produced is also influenced by the pretreatment of nanocellulose, including no pretreatment [7,56], TEMPO-oxidation [21,53‒55] and carboxymethylation [57]. Lundahl et al. [53] studied the comparison of filaments produced from untreated CNF and TEMPO-oxidized CNF. The result showed that TEMPO-oxidized CNF produce filament with better mechanical properties compared to the untreated one. TEMPO-oxidation process enhances fibril orientation during wet spinning process which led to entanglement and osmotic repulsion between fibrils.

Dope concentration related to its total solid fraction and viscosity. In dry spinning, the presence of solvent add to the more complex nature of the dope viscosity, compared to polymer melts in melt spinning [49]. The decreasing solid content (lower viscosity) of the dope until approaching the limit of spinnability produced filament with better mechanical properties [7, 53, 56]. The viscosity of dope that is too high or too low can cause broken filaments [49]. In dry spun filament, the dilution of the dope increased the mechanical properties of filament produced. However, it didn’t give significant effect to the filament orientation [7, 56]. In wet spun filament, the dilution of the dope increased the filament orientation slightly and inconsistently, while increasing the stiffness up to 80% and tensile strength up to 140% [7, 53].

Other parameters that affect the spinning process include shear rate and filament drawing. Adjusting the optimum shear rate is needed because it is related to the force applied in the spinneret which affects the fiber alignment and the structure of filaments produced [7]. When the dope extrudes from the spinneret, shear force is applied on the polymer chains, thus making it straightened, as well as decreasing the internal friction of the dope [60, 61]. The increasing shear rate will align the fibrils into the filaments axis, making the structure of filaments become more oriented, thus increasing the stiffness (Young’s modulus) and tensile strength while decreasing the elongation at break. Besides, the increasing of shear force also led to the nucleation of new crystals [60, 62]. However, non-uniform filament coagulation during spinning also affects the decreasing of filaments elongation at break [7, 21].

Key factor related to filament drawing is the draw ratio, which is the ratio between filament take-up velocity and the flow velocity at the spinneret. Similar to the shear rate, draw ratio also affect the fibril alignment or orientation [7, 48] and the structure of filaments produced. Besides, filaments tensile strength and Young’s modulus also increased with the increasing draw ratio, while its elongation at break decreased. Draw ratio of > 1 will align the polymer chain into the filaments axis, making the structure of filaments become more oriented [7].

CONCLUSION

Nanocellulose exhibits its great potential to be used for producing continuous fibers, known as filaments. This was indicated by the high mechanical strength and modulus, thermally stable, lightweight properties, etc. Modifications on nanocellulose can be conducted to improve its mechanical properties. This includes compositing with other synthetic or natural polymer. Once this composite is available, nanocellulose may be widely used to produce nanocellulose based filaments. However, many parameters in the spinning process are needed to be considered to achieve the best quality of filaments produced. The optimum spinning conditions needed to be considered include high nanocellulose aspect ratio, low viscosity of the dope (low solid content), high shear rate used in the spinneret, high draw ratio, etc. By applying those optimum conditions, the fibrils will align into the filaments axis, making the structure of filaments become more oriented, thus increasing its mechanical properties.

ACKNOWLEDGEMENTS

The authors would like to thank to Kementrian Riset Teknologi dan Pendidikan Tinggi Republik Indonesia for the financial support (Riset Kolaborasi Indonesia – WCU/World Class University 2019) (Contract no. 0846/IT3.L1/PN/2019). The author (Farah Fahma) also would like to thank to IPB University (Bogor Agricultural University) for Mobilitas Dosen.

CONFLICT OF INTEREST

The authors declare that there are no conflicts of interest regarding the publication of this manuscript.

 

 
9.Chen H. Biotechnology of lignocellulose: theory and practice. Dordrecht: Springer; 2014.
29.Herrick FW, Casebier RL, Hamilton JK, Sandberg KR. Microfibrillated Cellulose: Morphology and Accessibility. J Appl Polym Sci: Appl Polym Symp, 1983; 37: 797-813.
30.Turbak AF, Snyder FW, Sandberg KR. Microfibrillated Cellulose, a New Cellulose Product: Properties, Uses, and Commercial Potential. J Appl Polym Sci: Appl Polym Symp, 1983; 37: 815-827.
35.Dong XM, Revol JF, Gray DG. Effect of Microcrystallite Preparation Conditions on the Formation of Colloid Crystals of Cellulose. Cellulose, 1998; 5: 19-32.
39.Iguchi M, Yamanaka S, Budhiono A. Bacterial Cellulose - A Masterpiece of Nature’s Arts. J Mater Sci, 2000; 35(2): 261-270.
43.Wachala R, Ramiega T, Kaczmarek A, Antczak T. Nanocellulose by enzymatic methods. In: 21st Annual International Conference on Composites or Nano Engineering. 2013 July 21-27; Tenerife, Canary Islands, Spain; 2013. p. 1-2.
58.Masson J. Acrylic fiber technology and applications. New York: Marcel Dekker, Inc.